
CCQ系列气动超高真空插板阀
CCQ型气动超高真空插板阀是通过电磁换向阀改变气路方向,控制执行气缸驱动阀板作上下运动,达到阀门的开启或关闭。阀门用于接通或切断真空管路中的气流。适用介质为纯净空气和非腐蚀性气体。带反馈信号装置。
- 联系方式
- 联系人:李经理
- 联系电话:0577-88816298
- 手机:18158323688(李经理)
- 手机:18158323688(李女士)
- 手机:13336909228(叶先生)
- 手机:18850321102(赖先生)
产品详情
CCQ型气动超高真空插板阀概述
CCQ型气动超高真空插板阀是通过电磁换向阀改变气路方向,控制执行气缸驱动阀板作上下运动,达到阀门的开启或关闭。阀门用于接通或切断真空管路中的气流。适用介质为纯净空气和非腐蚀性气体。带反馈信号装置。
CCQ型气动超高真空插板阀主要技术性能
| 适用范围:Applicability | 105~1.3×10-7Pa |
| 阀门漏率:Valve Leak Rate |
≤1.3×10-7Pa.L/S.(DN≤200) ≤6.7×10-7Pa.L/S.(DN≥250) |
| 适用温度:Applicable Temperature | -30~+150℃ |
|
阀门开启时阀板两侧的压差: The differential pressure between the two sides of valve disc upon valve opening: |
≤2.7×103Pa. |
| 气源压力:Annoy pressure | 0.4~0.6MPa |
主要零件材料
阀体、阀板:不锈钢
密封件:氟橡胶、波纹管(轴封)、丁腈橡胶。
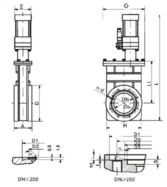
外形及连接尺寸(mm)
|
Model 型号 |
DN | A | H | D | Do | D1 | D2 | D3 | L | L1 | G | E | n-d | 法兰标准 |
| CCQ-50 | 50 | 60 | 92 | 89 | 72.4 | 61.6 | 55.6 | 515 | 153 | 220 | 65 | 8-M8 | GB6071 | |
| CCQ-63 | 63 | 65 | 105 | 114 | 92.1 | 82.6 | 76.6 | 566 | 180 | 220 | 80 | 8-M8 | ||
| CCQ-80 | 80 | 65 | 130 | 130 | 110 | 99 | 93 | 603 | 200 | 220 | 80 | 16-M8 | ||
| CCQ-100 | 100 | 70 | 152 | 152 | 130.2 | 120.7 | 114.7 | 653 | 267 | 220 | 95 | 16-M8 | ||
| CCQ-150 | 150 | 70 | 202 | 202 | 181 | 171.5 | 165.5 | 771 | 350 | 270 | 95 | 20-M8 | ||
| CCQ-200 | 200 | 80 | 251 | 253 | 231.8 | 222.3 | 216.6 | 889 | 424 | 270 | 115 | 24-M8 | ||
| CCQ-250 | 250 | 85 | 300 | 314 | 288 | 308 | 275 | 271 | 1127 | 574 | 350 | 140 | 24-M10 | JB5278 |
| CCQ-300 | 300 | 85 | 352 | 365 | 338 | 353 | 323 | 318 | 1197 | 613 | 420 | 140 | 32-M10 | |
| CCQ-320 | 320 | 85 | 372 | 385 | 357 | 379 | 344 | 340 | 1197 | 613 | 440 | 140 | 36-M10 | JB5278 |
| CCQ-400 | 400 | 110 | 456 | 497 | 454 | 480 | 440 | 436 | 1666 | 810 | 536 | 180 | 36-M12 | |
| CCQ-500 | 500 | 135 | 595 | 590 | 555 | 580 | 540 | 536 | 1835 | 870 | 640 | 220 | 40-M12 | |
| CCQ-630 | 630 | 135 | 690 | 700 | 658 | 680 | 639 | 635 | 1930 | 960 | 780 | 280 | 40-M16 | |
| CCQ-800 | 800 | 150 | 880 | 890 | 855 | 880 | 835 | 831 | 2200 | 1100 | 950 | 350 | 60-M16 |
